Bu projede Factory IO’daki otomasyon projelerinden biri olan paletleme istasyonunun elektrik bağlantı şemasını EPLAN üzerinde tasarladım. Sistemin genel görünümü aşağıdaki gibidir.

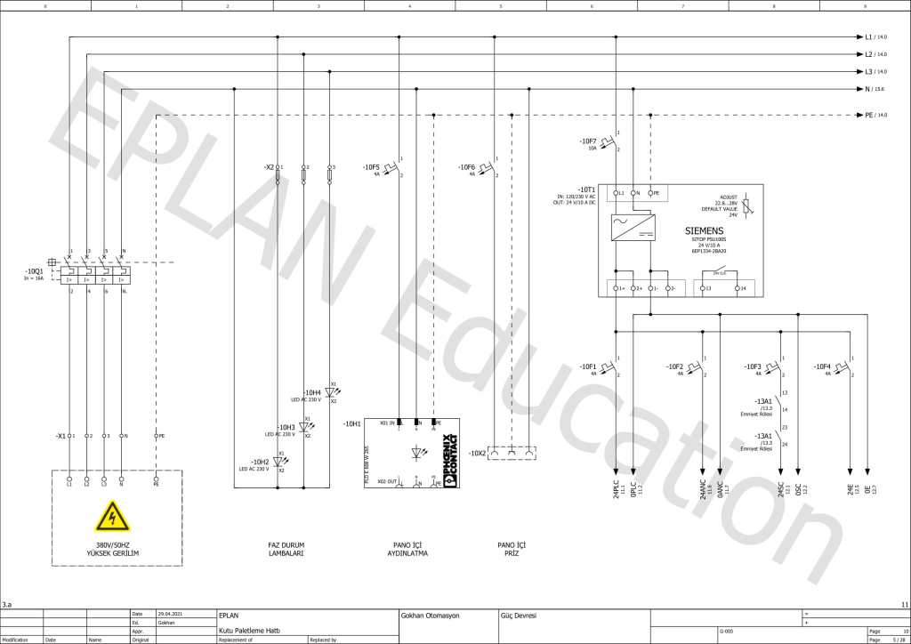
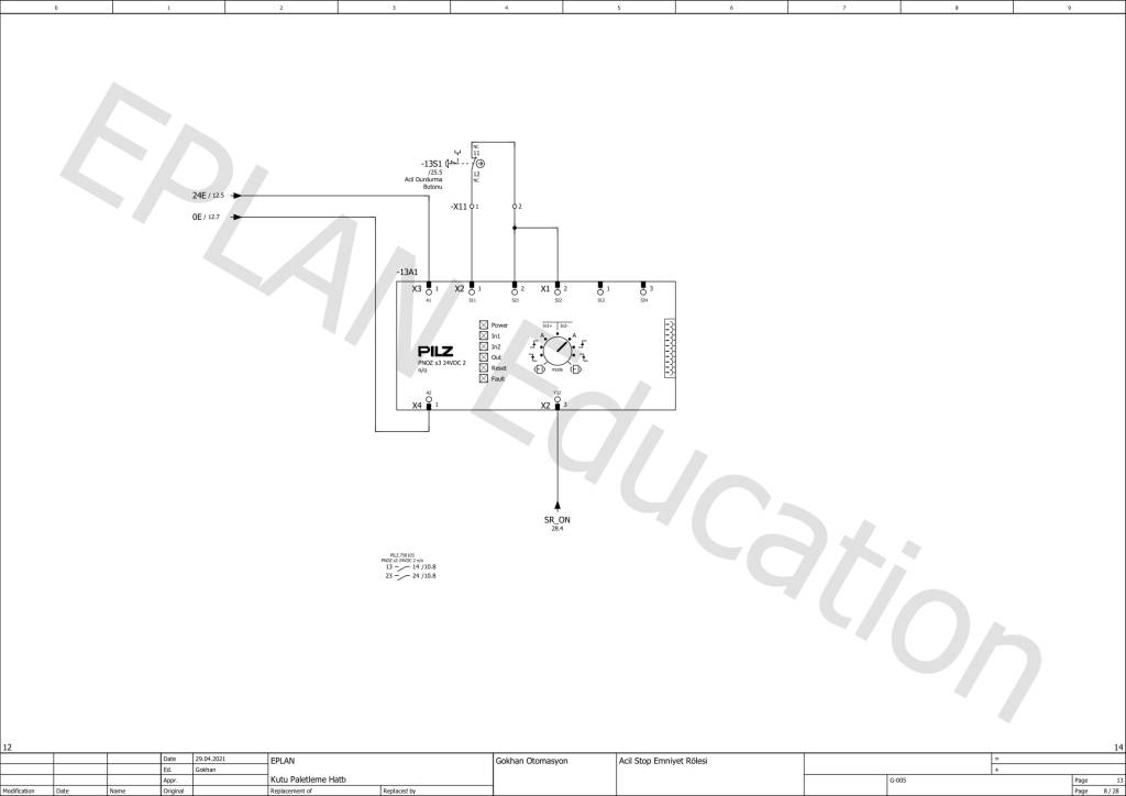
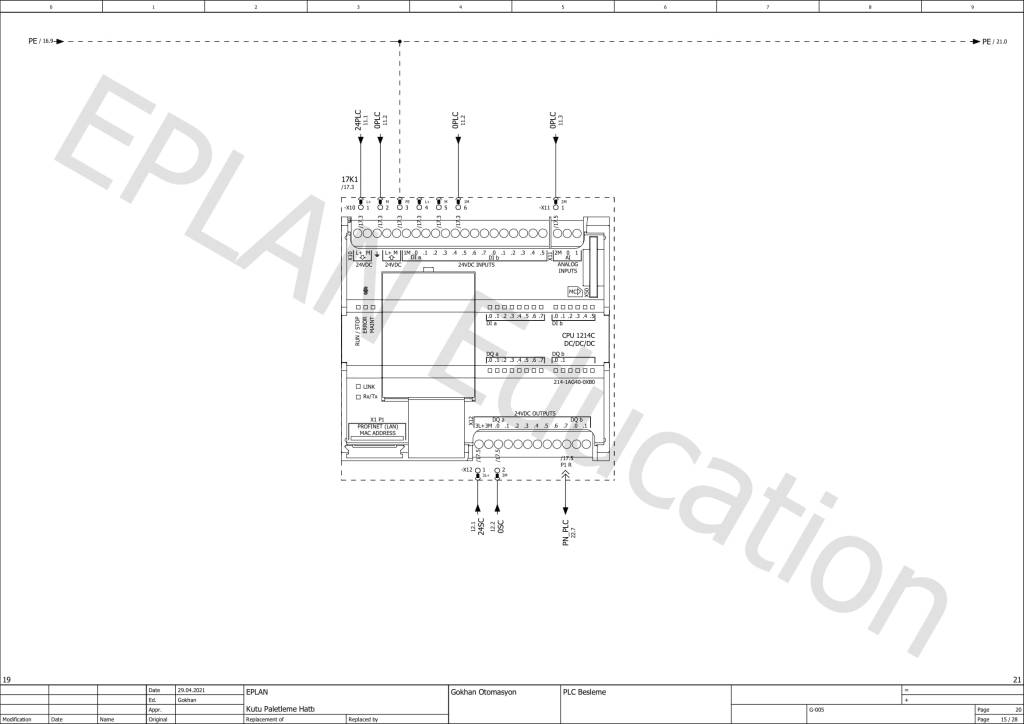
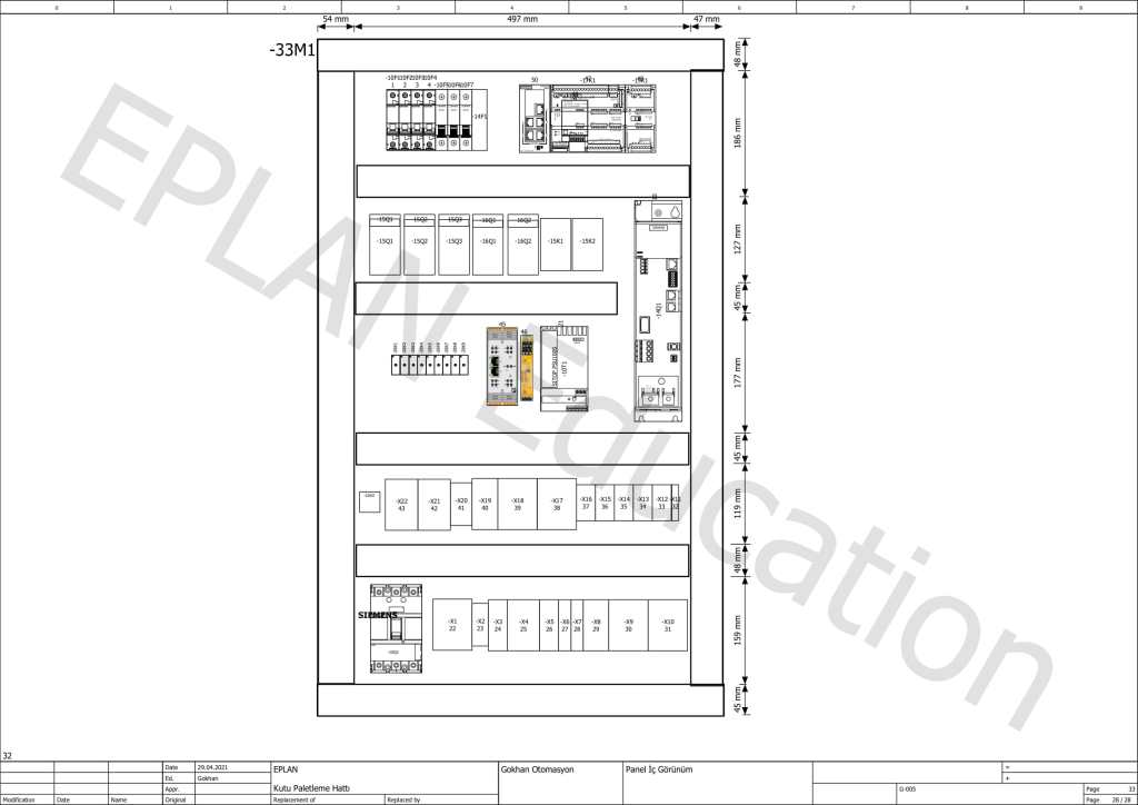
Projeyi ise aşağıdaki gibi çizdim.





























Bu projede Factory IO’daki otomasyon projelerinden biri olan paletleme istasyonunun elektrik bağlantı şemasını EPLAN üzerinde tasarladım. Sistemin genel görünümü aşağıdaki gibidir.

Projeyi ise aşağıdaki gibi çizdim.




























